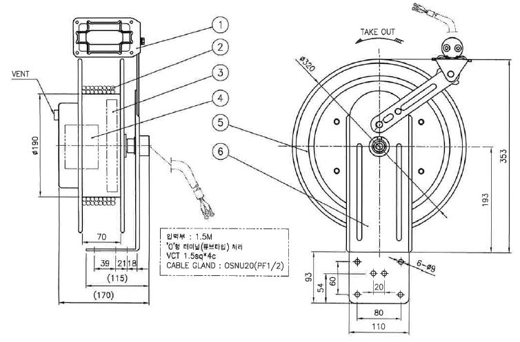
모델 선택의 세부내용은 아래 이미지를 클릭하여 참조하시기 바랍니다.

정격전압 : AC.DC 600V
특징 : 소형, 방수용
사용시 : 권취속도는 30m/min이내에서 사용
도장색 : 7.5BG 6/1.5
내열성 : -10℃~+50℃
접촉저항 변화 : 10mΩ이하(60 rpm時)

| 규격 | 케이블사양 |
|---|---|
| ECCN-110-4 | IGUS 1.5SQ*4C*10M |
| ECCN-115-4 | IGUS 1.5SQ*4C*15M |
| ECCN-120-4 | IGUS 1.5SQ*4C*20M |
| ECCN-210-4 | IGUS 2.5SQ*4C*10M |
| ECCN-215-4 | IGUS 2.5SQ*4C*15M |
| ECCN-220-4 | IGUS 2.5SQ*4C*20M |